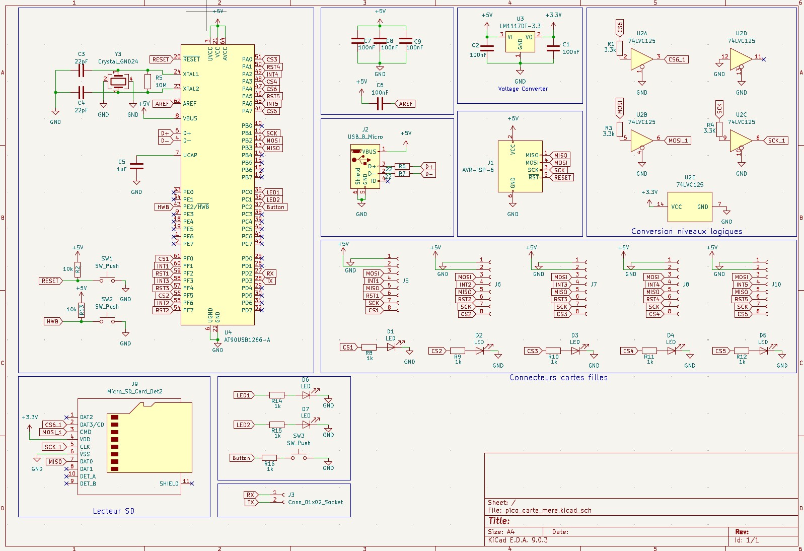
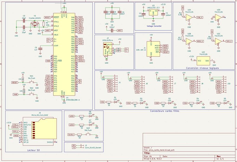
Fichier:Schema carte mere.jpg
Aller à la navigation
Aller à la recherche
Taille de cet aperçu : 800 × 548 pixels. Autre résolution : 1 597 × 1 094 pixels.
Fichier d’origine (1 597 × 1 094 pixels, taille du fichier : 332 kio, type MIME : image/jpeg)
Schema carte mere du pico ordinateur
Historique du fichier
Cliquer sur une date et heure pour voir le fichier tel qu'il était à ce moment-là.
| Date et heure | Vignette | Dimensions | Utilisateur | Commentaire | |
|---|---|---|---|---|---|
| actuel | 29 septembre 2025 à 17:14 | 1 597 × 1 094 (332 kio) | Bcheklat (discussion | contributions) |
Vous ne pouvez pas remplacer ce fichier.
Utilisation du fichier
La page suivante utilise ce fichier :