« SE3Binome2022-3 » : différence entre les versions

De projets-se.plil.fr
Aller à la navigation Aller à la recherche
(oui*)
Aucun résumé des modifications
Ligne 53 : Ligne 53 :
[[Fichier:PCB vue de Face .jpg|gauche|vignette|PCB soudé vue de face]]
[[Fichier:PCB vue de Face .jpg|gauche|vignette|PCB soudé vue de face]]
[[Fichier:Pcb2.jpg|vignette|PCB soudé vue de dos]]
[[Fichier:Pcb2.jpg|vignette|PCB soudé vue de dos]]





Version du 23 mai 2023 à 12:19

Projet Voiture Groupe n°3

Lien pour le Git

https://archives.plil.fr/scruchet/vroumvroum_la_tutur

Chronologie du projet:

1e séance: Début du shématique création de la librairie pour le driver moteur ainsi que de son empreinte.

2e séance: Documentation sur le module bluetooth création de son shématique ainsi que de son empreinte. Création d'un Github pour le projet.

3e séance : Connexions faites entre module bluetooth et µC. Début du routage fait.

4e séance : Création de l'empreinte du Moteur propulsion. Mise en place du PCB avec les dimensions réelle de la voiture.

5e séance  : début du routage final, regarder les sorties a connecté du module Bluetooth.

6e séance : fin du routage (plan de masse, via ,etc).

7e séance : envoie de la carte, découverte code programmation moteur step et driver moteur propulsion.

8e séance : reception de la carte, début de la soudure des composants essentiels aux tests. Début du code (feux clignotants ....)

9e séance : début sérieux du code (utilisation de la fonction millis et de la prise en main), soudure des leds ainsi que le chargeur de batterie. Problème lors de la mise e tension...

10e séance : Finalisation ds codes relatif aux LED. Essai du fonctionnement de la batterie mais lors de la charge de cette dernière l'Atmega surchauffe et la batterie ne se recharge pas.

11e séance : Connexion au VBUS des Entrée EN, SELV et IN. Dysfonctionnement et surchauffe toujours présent. Nous abandonnons donc la batterie car nous ne pouvons plus rien faire si nous laissons le montage comme cela. Soudure du moter stepper pour essayer de le controler par la suite.

Objectifs du projet:

Faire une voiture au format 1/43 avec moteur propulsion et direction motorisée.

Si possible nous aimerions faire une démonstration de créneaux pour démontrer toutes les fonctionnalités du véhicule.

Nous aimerions pouvoir commander le véhicule par bluetooth en incluant le chargeur de batterie intégré si nous avons le temps.

L'avancement du projet :

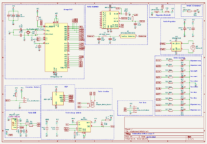
Schématique du projet
PCB vue de Face




PCB vue de Dos


PCB Soudé

PCB soudé vue de face
PCB soudé vue de dos






ReX

Remplissez ce Wiki !!

Votre PCB est en route : DHL n° 7897851334.