« SE4Binome2025-1 » : différence entre les versions

De projets-se.plil.fr
Aller à la navigation Aller à la recherche
Aucun résumé des modifications
Ligne 9 : Ligne 9 :


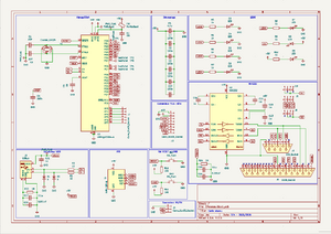
== Carte Réseau ==
== Carte Réseau ==
[[Fichier:Schématique CReseau.png|néant|vignette]]
[[Fichier:Routage Creseau.png|néant|vignette]]

Version du 24 octobre 2025 à 09:00

Shield Arduino

Schématique et routage

Schématique shield arduino
Routage shield arduino


La schématique et le routage sont terminés. Nous avons utilisé un template pour l'arduino différent de celui proposé car ce dernier était à l'envers.

Carte Réseau

Schématique CReseau.png
Routage Creseau.png