« SE4Binome2025-1 » : différence entre les versions
Aller à la navigation
Aller à la recherche
| (2 versions intermédiaires par le même utilisateur non affichées) | |||
| Ligne 9 : | Ligne 9 : | ||
== Carte Réseau == | == Carte Réseau == | ||
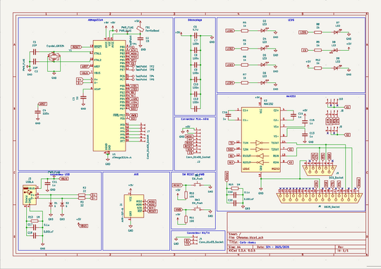
[[Fichier:Schématique CReseau.png| | Lors de la répartition des tâches, nous avons opté pour une solution basée sur la carte réseau. Le sujet nous permettait de choisir parmi plusieurs microcontrôleurs. Nous avons retenu l’ATmega32U4, qui nous semble représenter un juste milieu entre l’ATmega16U2 et l’AT90USB. | ||
[[Fichier:Routage Creseau.png|néant|vignette]] | |||
Notre carte intègre des LED permettant d’afficher différents états de communication (que nous définirons ultérieurement). | |||
À la demande de M. Redon, nous avons ajouté un MAX232 ainsi que des connecteurs DB9 et DB25. Nous espérons que ces éléments pourront être utiles. | |||
[[Fichier:Schématique CReseau.png|vignette|gauche|540x540px]] | |||
[[Fichier:Routage Creseau.png|néant|vignette|521x521px]] | |||
Version actuelle datée du 24 octobre 2025 à 09:34
Shield Arduino
Schématique et routage
La schématique et le routage sont terminés. Nous avons utilisé un template pour l'arduino différent de celui proposé car ce dernier était à l'envers.
Carte Réseau
Lors de la répartition des tâches, nous avons opté pour une solution basée sur la carte réseau. Le sujet nous permettait de choisir parmi plusieurs microcontrôleurs. Nous avons retenu l’ATmega32U4, qui nous semble représenter un juste milieu entre l’ATmega16U2 et l’AT90USB.
Notre carte intègre des LED permettant d’afficher différents états de communication (que nous définirons ultérieurement).
À la demande de M. Redon, nous avons ajouté un MAX232 ainsi que des connecteurs DB9 et DB25. Nous espérons que ces éléments pourront être utiles.