« SE4Binome2025-5 » : différence entre les versions

De projets-se.plil.fr
Aller à la navigation Aller à la recherche
Ligne 13 : Ligne 13 :


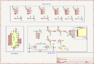
==== Schématique des deux cartes ====
==== Schématique des deux cartes ====
Ci dessous la schématique pour les deux cartes:
[[Fichier:SchematiqueShield.png|alt=Schématique du bouclier arduino et du module SD|gauche|vignette|Schématique du bouclier arduino et du module SD]]





Version du 7 novembre 2025 à 14:19

Objectif

L'objectif de notre groupe est de réaliser une carte fille compatible avec la carte mère réalisée par le binôme 2. Cette carte que nous réalisons doit pouvoir permettre au pico-ordinateur d'afficher des informations sur un écran. Pour complexifier la tâche, nous utiliserons un affichage LCD graphique, qui nous permettra d'effectuer un affichage simple initialement, mais aussi de créer des primitives graphiques dans un second temps.

En plus de cette carte, nous devons réaliser un "OS primitif" qui fonctionnera sur une carte Arduino, à la fois pour pouvoir comprendre le fonctionnement d'un ordonnanceur, mais aussi pour pouvoir tester notre carte de notre côté avant de l'intégrer au pico-ordinateur. L'Arduino sera complété d'un shield afin d'avoir une interface similaire à celle qui sera disponible sur la carte mère, que nous devons réaliser également. Aussi, ce shield sera accompagné d'un module de carte SD pour pouvoir charger des programmes "à la volée" depuis la carte SD.

Dépôt GIT

le dépôt git de ce projet est le suivant: https://gitea.plil.fr/avanghel/SE4-Pico-B5

Partie Hardware

Bouclier Arduino & carte SD

Le bouclier Arduino que nous réalisons servira d'interface entre l'Arduino et la carte fille, de façon à ce qu'un arduino avec le programme de la carte mère et le shield d'installé ait le même comportement que la carte mère. Le module SD pourra se brancher sur un connecteur de la carte mère et donc du bouclier aussi.

Schématique des deux cartes

Ci dessous la schématique pour les deux cartes:

Schématique du bouclier arduino et du module SD
Schématique du bouclier arduino et du module SD


Carte Fille

Le pilotage d'un écran graphique est plus complexe que pour un écran à caractère, puisque la création d'une image se fait pixel par pixel (plutôt que par caractère pour l'écran à caractère). De plus, le microcontrôleur de la carte mère(que l'on appelera CPU ici) doit gérer d'autres cartes filles, il n'est donc pas souhaitable qu'il traite par lui-même une tâche aussi lourde.

Notre carte fille devra donc être composée elle aussi d'un microcontrôleur(que l'on appelera GPU) qui interprètera des données reçues par le CPU (par exemple, un caractère à une certaine position) et transmettra les données à afficher à l'écran LCD graphique. Par ailleurs, nous fixerons l'écran graphique sur la carte fille.

Composants utilisés

La liste des circuits intégrés est la suivante:

-Atmega328P(Microcontrôleur)

-FM256WG (mémoire SPI)

-TMUX1574 (Multiplexeur bidirectionnel 4 bits) (à commander)

La liste des composants hors CI est la suivante:

-1 oscillateur à quartz 8MHz

-2 Capacités de 22pF

-5 Capacités de 100nF

-1 Capacité de 10µF

-1 Résistance de 1 Mohm

-2 Résistances de 1 Kohm

-2 LEDs rouges

Les connecteurs sont tous des connecteurs traversants 2.54 mm, les voici:

- 2x3 mâle vertical (ISP)

- 1x2 mâle vertical (debug, connection série)

- 1x8 mâle horizontal (Interface mère-fille)

- 1x9 mâle vertical (Interface avec écran)

Schématique de la carte fille

Schématique de la carte fille
Schématique de la carte fille

PCB de la carte

Ci-dessous le PCB de la carte imprimée:

PCB de la carte fille
PCB de la carte fille

et ci dessous un zoom sur la partie logique:

zoom sur la partie logique de la carte fille
zoom sur la partie logique de la carte fille

Vue 3D de la carte

Ci-dessous une vue 3D de la carte fille:

Vue 3D du pcb de la carte fille
Vue 3D du pcb de la carte fille

A noter que le connecteur en bas de la carte(connecteur mère-fille) sera bien à l'horizontale.

Composants à commander

TMUX1574DYYR (SOT-23-16 THIN)