SE3Binome2023-4

De projets-se.plil.fr
Aller à la navigation Aller à la recherche

Sujet : voiture commandée par USB

Cahier des Charges

Le projet consiste à concevoir une voiture autonome en terme d'énergie, avec l'utilisation d'une batterie au lithium ainsi que la mise en place d'une alimentation intégrée sur la carte.

Cette voiture sera équipée de deux moteurs continus de petite taille (2 cm) situés au niveau des roues avant. Cette configuration présente plusieurs avantages, notamment la réduction des contraintes mécaniques grâce à l'utilisation d'un pont en H et l'inversion des sens de rotation des roues. De plus, cela permet de diminuer le poids de la voiture, ce qui se traduit par moins de contraintes sur la taille de la carte électronique.

Le système comprendra également quatre LED de surface, dont deux seront placées à l'avant et deux à l'arrière de la voiture. Ces LED serviront à indiquer le sens de déplacement de la voiture, par exemple en allumant la LED gauche avant pour tourner à gauche en avançant.

L'utilisateur pourra choisir le programme de déplacement de la voiture grâce à un logiciel implanté sur un ordinateur, qui sera ensuite transféré sur la carte via le port USB.

Concernant la carte électronique, elle sera équipée d'un microcontrôleur ATmega16u4 ou ATmega32u4 (différence en fonction de l'espace dédié à la flash).

Optimisation : detecteur d'obstacles.

Lien GIT

https://archives.plil.fr/sdeparis/projet_voiture_sd_ah.git

Partie électronique

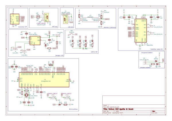
Schématique Kicad

Schématique voiture
Schématique voiture
Routage du PCB
Routage du PCB
Visualisation carte PCB
Visualisation carte PCB

Routage

Vue 3D

Partie programmation