SE4Binome2025-3
Présentation projet :
Dans ce projet Pico, l'objectif est de réaliser un pico ordinateur composé de différentes cartes fille. La conception des cartes est répartie entre les binômes et dans notre cas, nous nous occuperons de la carte fille clavier.
Pour suivre l'avancée du travail, les fichiers seront déposés sur notre archive git.
Partie Shield
Nous avons tout d'abord commencé par le routage d'un shield Arduino en guise de carte de test pour les cartes filles, dans le cas où la carte mère ne serait pas opérationnelle.
Routage
Nous avons donc réalisé ce shield pour notre carte.
Notre carte ressemblant à celle du binôme 1, nous utiliserons par conséquent la leur.
Tests
Partie Carte Clavier
Mise en place
Nous avons d'abord eu à définir le projet pour le clavier et nous avons décidé de réaliser entièrement notre carte clavier. Nous avons choisi de créer un clavier de 30 touches permettant d'écrire 26 caractères par mode avec 3 modes différents. Les 4 touches restantes serviront de touches Supprimer, Espace, Maj et Symbole. Ces touches seront communes aux 3 modes du clavier. Nous allons profiter du fait d'avoir attribué une diode à chaque touche pour pouvoir en presser deux en même temps. Comme le fonctionnement de la touche Shift, il faut garder la touche enfoncée pour changer de mode.
Disposition des touches
La disposition est trouvable dans le fichier bind_clavier trouvable sur le git.
La touche Entrée sera activée en pressant maj et symbole simultanément.
| a | b | c | d | e | f |
| g | h | i | j | k | l |
| m | n | o | p | q | r |
| s | t | u | v | w | x |
| y | z | del | space | maj | symbole |
| A | B | C | D | E | F |
| G | H | I | J | K | L |
| M | N | O | P | Q | R |
| S | T | U | V | W | X |
| Y | Z | del | space | maj | symbole |
| 1 | 2 | 3 | & | ; | , |
| 4 | 5 | 6 | " | ? | ! |
| 7 | 8 | 9 | ' | = | + |
| / | 0 | : | ( | ) | _ |
| * | - | del | space | maj | symbole |
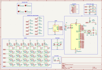
Nous avons donc mis en place cette matrice. Notre carte contient un atmega328 ainsi qu'un ISR pour pouvoir programmer le micro-contrôleur.
Les rangées et colonnes de touche sont donc reliées aux broches des ports C et D et chacun des boutons est relié à une diode, ce qui nous permettra de taper sur plusieurs touches en même temps, nous permettant de changer les mods de fonctionnement du clavier entre minuscule, majuscule et symbole.
Nous avons aussi mis 3 Led sur notre clavier qui servent à montrer le mode qui est utilisé lors de l'utilisation du clavier.
Notre connecteur 1x8 qui permet de communiquer avec la carte-mère sera donc placé en haut de la carte lors du routage.
Notre carte, une fois routée, ressemble donc à ceci :
images plus en détails de la carte :
